Prekių katalogas

  • Hidraulinis siurblys gopart 01174513N

    Kodas: 846511
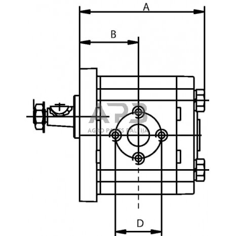
    A Housing length 115.9 mm
    B Connection port to flange distance 45 mm
    E Pressure port bolts circle diameter 35 mm
    D Suction port bolts circle diameter 40 mm
  • Part number 01174513N
    EAN8716106853175
    Unit Each
    Flange type norm German
    Number of mounting holes 4
    Shaft type Tapered
    Shaft thread diameter M12
    Shaft thread pitch 1.50 mm
    Shaft cone size code 1:5
    Displacement 16 cm³/rev
    Sealing type Standard
    Max. continous working pressure 250 BAR
    Max intermittend working pressure 280 BAR
    Max pressure peak 300 BAR
    Max rotation speed 3000 r/min
    Min rotation speed 650 r/min
    Prefered rotation direction Counter-clockwise (CCW)
    Main port size code 2GB12
    Pressure port size code 1GB12
    Port position Side
    A Housing length 115.9 mm
    B Connection port to flange distance 45 mm
    E Pressure port bolts circle diameter 35 mm
    D Suction port bolts circle diameter 40 mm
  • Parduotuvė kaune

    Lakūnų pl. 81, Kaunas LT-46295 (Aleksotas)

    Darbo laikas:

    I - V 08:00 - 17:00

    VI 10:00 - 14:00

    VII Nedirbame