Parduotuvė kaune
Lakūnų pl. 81, Kaunas LT-46295 (Aleksotas)
Darbo laikas:
I - V 08:00 - 17:00
VI 10:00 - 14:00
VII Nedirbame








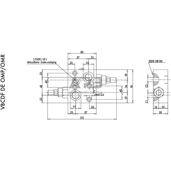
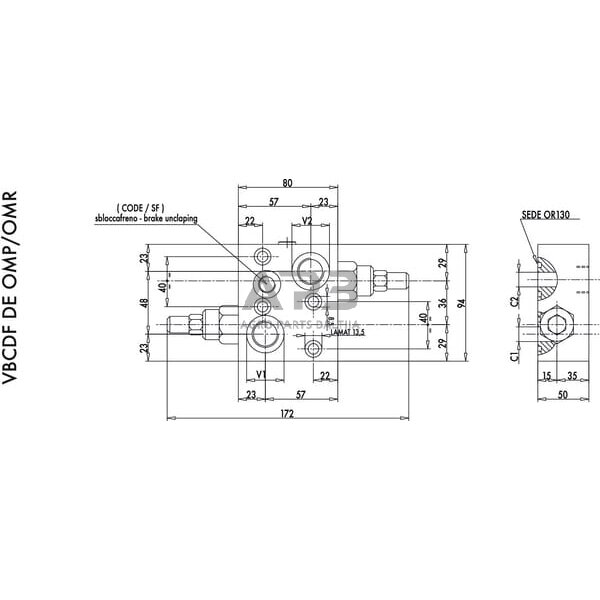
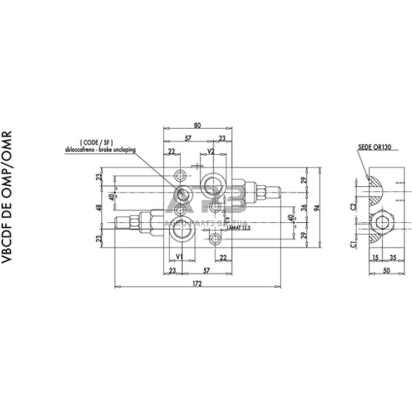
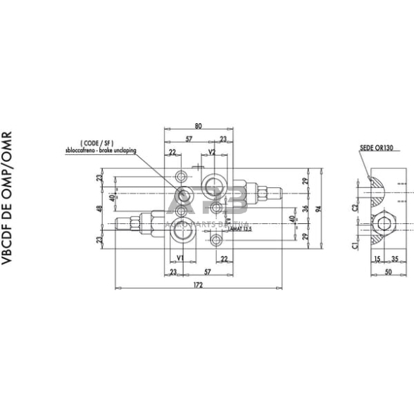
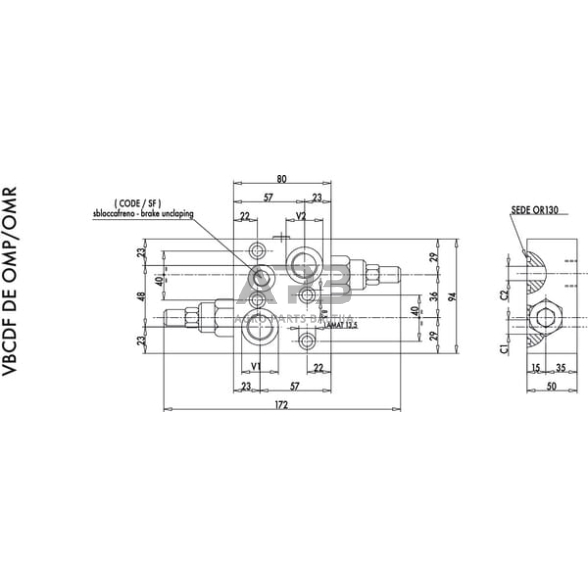
Dalies numeris C056V0425
	Maksimalus darbinis slėgis 350 BAR
	Medžiaga Plienas
	Paviršiaus apdorojimas Cinkuotas
	Maksimalus debitas 50 l/min
	Reguliuojamas slėgio diapazonas 120-320 BAR
	Standartinis slėgio nustatymas 320 BAR
	V1-V2 Jungčių sriegio skersmuo 1/2 colio
	C1-C2 Vamzdžio skersmuo 9 mm
Visoms prekėms esančioms mūsų asortimente, taikoma gamintojo arba įstatymų nustatyta garantija.
Paslaugos teikimo sąlygos:
Prekių pristatymas Lietuvoje, Latvijoje, Estijoje.
	
Prekes galite atsiimti mūsų parduotuvėje Kaune adresu: Lakūnų pl. 81, Kaunas (Aleksotas)
Paslaugos teikimo sąlygos:
Prekių pristatymas Lietuvoje, Latvijoje, Estijoje.
	
Prekes galite atsiimti mūsų parduotuvėje Kaune adresu: Lakūnų pl. 81, Kaunas (Aleksotas)
V1-V2 Jungčių sriegio skersmuo 1/2 colio
	L1 Bendras ilgis 248 mm
	S Bendras plotis 30 mm
	H Bendras aukštis 60 mm
	L3 Sujungimų atstumas 110 mm
	L4 Prijungimo atstumas 30 mm 
	L2 Atstumas tarp jungčių 50 mm 
V1-V2 Jungčių sriegio skersmuo 3/4 colio
	L1 Bendras ilgis 187 mm
	S Bendras plotis 35 mm
	H Bendras aukštis 80 mm
	L3 Sujungimų atstumas 85 mm
	L4 Sujungimų atstumas 23,5 mm 
	L2 Atstumas tarp jungčių 46 mm 
L1 Bendras ilgis 304 mm
	S Bendras plotis 35 mm
	H Bendras aukštis 80 mm
	L3 Sujungimų atstumas 143 mm
	L4 Jungčių atstumas 44 mm 
	L2 Atstumas tarp jungčių 60 mm 
Lakūnų pl. 81, Kaunas LT-46295 (Aleksotas)
I - V 08:00 - 17:00
VI 10:00 - 14:00
VII Nedirbame
Užsiprenumeruokite mūsų naujienlaiškį ir gaukite pasiūlymus pirmas!
gauti