Parduotuvė kaune
Lakūnų pl. 81, Kaunas LT-46295 (Aleksotas)
Darbo laikas:
I - V 08:00 - 17:00
VI 10:00 - 14:00
VII Nedirbame




Maks. darbinis slėgis: 180 BAR
Maks. stūmoklio greitis: 0,5 m/s
Stūmoklio paviršiaus šiurkštumo diapazonas: 0,05-0,15 µm
Vickers kietumas: (HV)HV5/12=500/550
Cilindro medžiaga: plienas S355J2+N
Dalies numeris: TC2024F
Ilgas aprašymas: Teleskopiniai cilindrai 2 pakopų F
Detalės: Tenifer TF1 danga
Taikymo sritis: Priekabos apvertimo cilindras Transporto priemonės konstrukcija
Savybės: Nedažytas Maži montavimo matmenys Puikiai veikia Savybės: Ilgas tarnavimo laikas
Taikymo kategorija: teleskopinis
Maks. darbinis slėgis: 180 BAR
Maks. stūmoklio greitis: 0,5 m/s
Stūmoklio paviršiaus šiurkštumo diapazonas: 0,05-0,15 µm
Vickers kietumas: (HV)HV5/12=500/550
Cilindro medžiaga: plienas S355J2+N
Sandarinimo medžiaga: poliuretanas
DIN standartas: 1629
Visoms prekėms esančioms mūsų asortimente, taikoma gamintojo arba įstatymų nustatyta garantija.
Paslaugos teikimo sąlygos:
Prekių pristatymas Lietuvoje, Latvijoje, Estijoje.
Prekes galite atsiimti mūsų parduotuvėje Kaune adresu: Lakūnų pl. 81, Kaunas (Aleksotas)
Paslaugos teikimo sąlygos:
Prekių pristatymas Lietuvoje, Latvijoje, Estijoje.
Prekes galite atsiimti mūsų parduotuvėje Kaune adresu: Lakūnų pl. 81, Kaunas (Aleksotas)
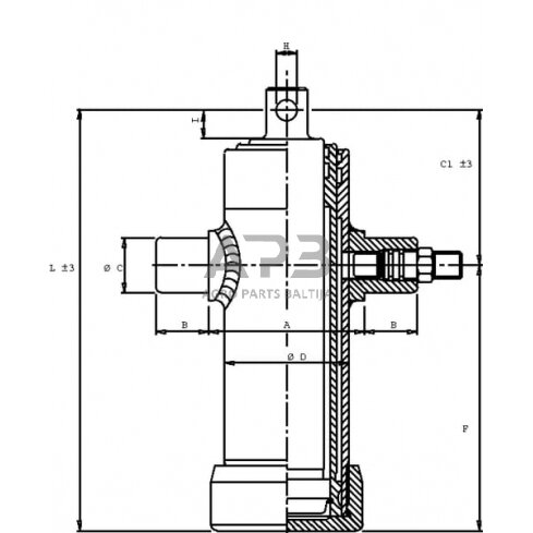
Eiga: 455 mm
Min. ilgis (L): 380 mm
Montavimo anga iki pasukamo čiaupo atstumas (F): 240 mm
Maks. darbinis slėgis: 180 BAR
Montavimo angos skersmuo - strypo jungtis (H): 26 mm
Montavimo angos skersmuo - cilindro jungtis: 40 mm
Šoninio veleno skersmuo (C): 35 mm
Išorinis skersmuo (D): 80 mm
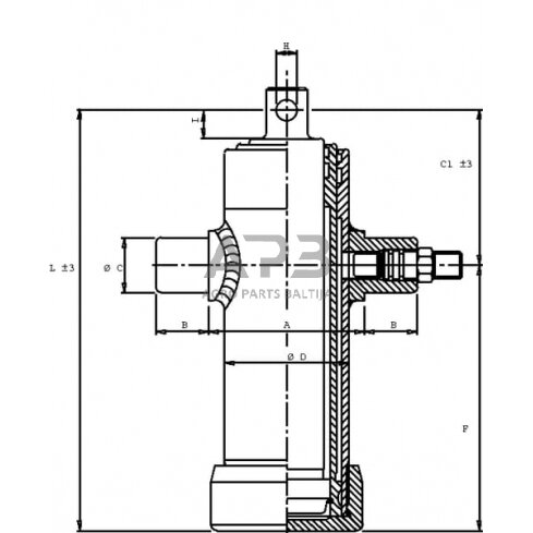
Eiga: 893 mm
Min. ilgis (L): 452 mm
Montavimo angos atstumas iki pasukamo čiaupo (F): 310 mm
Maks. darbinis slėgis: 180 BAR
Montavimo angos skersmuo - strypo jungtis (H): 45 mm
Montavimo angos skersmuo - cilindro jungtis: 40 mm
Šoninio veleno skersmuo (C): 35 mm
Išorinis skersmuo (D): 95 mm
Eiga: 593 mm
Min. ilgis 337 mm
Montavimo anga iki pasukimo čiaupo atstumas 25 mm
Montavimo angos skersmuo - cilindro jungtis: 115 mm
Šoninio veleno skersmuo 31 mm
Išorinis skersmuo 44 mm
Alyvos jungties ilgis 115 mm
Min. ilgis (L): 382 mm
Montavimo anga iki pasukamo čiaupo atstumas (F): 240 mm
Montavimo angos skersmuo - strypo jungtis (H): 45 mm
Šoninio veleno skersmuo (C): 35 mm
Išorinis skersmuo (D): 95 mm
Min. montavimo angų atstumas (A): 115 mm
Tvirtinimo įvorės išorinis skersmuo (I): 112 mm
Alyvos jungties ilgis (B): 40 mm
Alyvos jungtis iki strypo galo atstumas (C1): 142 mm
Lakūnų pl. 81, Kaunas LT-46295 (Aleksotas)
I - V 08:00 - 17:00
VI 10:00 - 14:00
VII Nedirbame
Užsiprenumeruokite mūsų naujienlaiškį ir gaukite pasiūlymus pirmas!
gauti