Prekių katalogas

  • Spaudžiamas jungiklis Pneutron 11911012PN

    Kodas: 854187
    Supply voltage lamp 12 V
  • Part number 11911012PN
    EAN
    Unit Each
    Pros Caution! Pressure switch without stopper
    Application range Push switch for installation
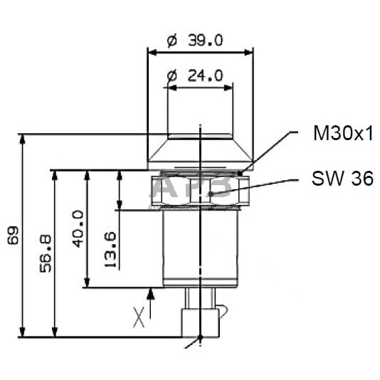
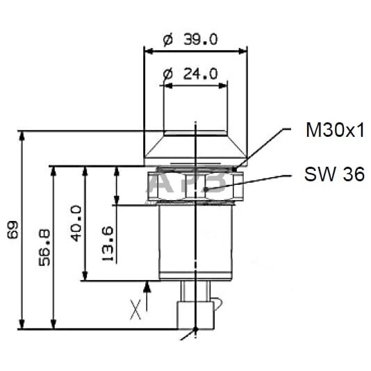
    Technical info Switching voltage: 48V Switching power: 10 W/VA Switch point: 3 + - 1 mm Switching current: 0.3 A Contact type: NOC Push button stroke, total: 5 mm Actuation force: approx. 25 N Temperature range: -20...+100
    Function Pull cylinder
    Type of button Push
    Colour button Blue
    Construction type lens Round
    Supply voltage lamp 12 V
    Supply voltage range of the bulb 12-48 V
    Insulation class 64 67
  • Parduotuvė kaune

    Lakūnų pl. 81, Kaunas LT-46295 (Aleksotas)

    Darbo laikas:

    I - V 08:00 - 17:00

    VI 10:00 - 14:00

    VII Nedirbame