Parduotuvė kaune
Lakūnų pl. 81, Kaunas LT-46295 (Aleksotas)
Darbo laikas:
I - V 08:00 - 17:00
VI 10:00 - 14:00
VII Nedirbame










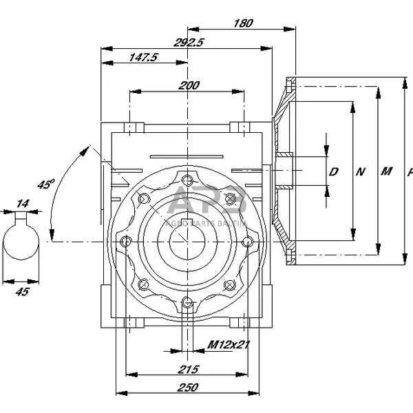
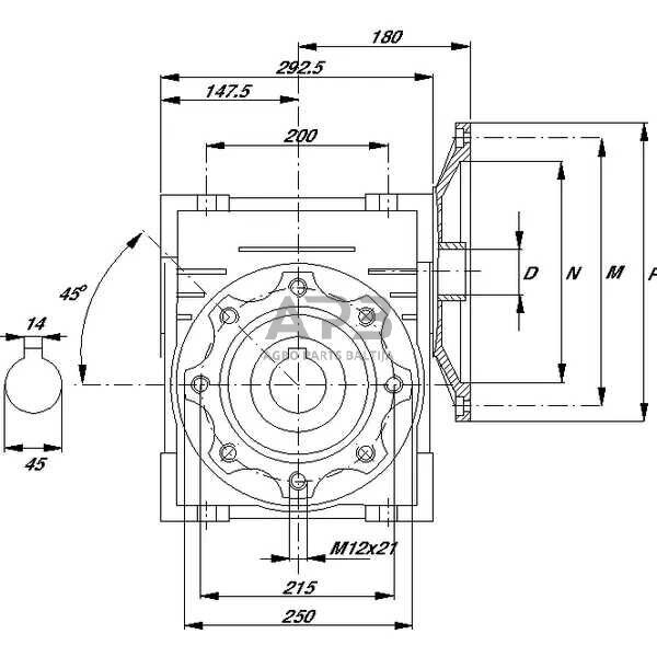
Techninė informacija velenas: Ø45 mm (H7) raktas 14 mm Bronzinis sliekinis ratas 20CR sliekinė pavara, grūdintas 56-62 HRC
	Privalumai: Didelis efektyvumas. Mažas svoris. Visą gyvenimą trunkantis tepimas
	Sujungimo 1 šoninės tvirtinimo angos apskritimo skersmuo: 38 mm
	Jungtis 1 šoninio flanšo vidinis skersmuo 265 mm
	Jungtis 1 šoninio flanšo išorinis skersmuo 300 mm
	Jungtis 2 šoninio flanšo vidinis skersmuo 230 mm
Dalies numeris GMR13040132B5
	Detalės: Didelis mechaninis efektyvumas. Lengva konstrukcija. Pripildyta sintetinės alyvos
	Naudojimo sritis: Konvejerio juostos. Žarnų ritės. Dėžės savivarčia.i Tvirtinimas prie elektros variklio
	Savybės: Žemas triukšmo lygis. Uždara konstrukcija. Priedas IEC B14/B5 Dydžiai nuo 30 iki 90 imtinai: aliuminio korpusas 110 ir 130 dydžiai: ketaus korpusas
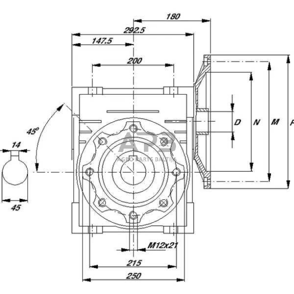
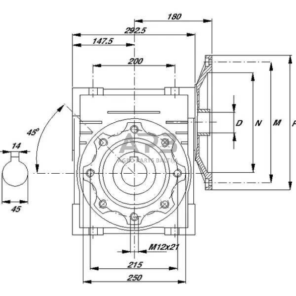
	Techninė informacija velenas: Ø45 mm (H7) raktas 14 mm Bronzinis sliekinis ratas 20CR sliekinė pavara, grūdintas 56-62 HRC
	Privalumai: Didelis efektyvumas. Mažas svoris. Visą gyvenimą trunkantis tepimas
	Sujungimo 1 šoninės tvirtinimo angos apskritimo skersmuo: 38 mm
	Jungtis 1 šoninio flanšo vidinis skersmuo 265 mm
	Jungtis 1 šoninio flanšo išorinis skersmuo 300 mm
	Jungtis 2 šoninio flanšo vidinis skersmuo 230 mm
	Sudėtyje yra aliejaus: Taip
	Korpuso spalva Mėlyna
	Darbinės temperatūros diapazonas -25-50 °C
	Svoris: 48 kg
	Santykis: 40
Visoms prekėms esančioms mūsų asortimente, taikoma gamintojo arba įstatymų nustatyta garantija.
Paslaugos teikimo sąlygos:
Prekių pristatymas Lietuvoje, Latvijoje, Estijoje.
	
Prekes galite atsiimti mūsų parduotuvėje Kaune adresu: Lakūnų pl. 81, Kaunas (Aleksotas)
Paslaugos teikimo sąlygos:
Prekių pristatymas Lietuvoje, Latvijoje, Estijoje.
	
Prekes galite atsiimti mūsų parduotuvėje Kaune adresu: Lakūnų pl. 81, Kaunas (Aleksotas)
Techninė informacija velenas: Ø35 mm (H7) raktas 10 mm Bronzinis sliekinis ratas 20CR sliekinė pavara, grūdintas 56-62 HRC
	Privalumai: Didelis efektyvumas. Mažas svoris. Visą gyvenimą trunkantis tepimas
	Jungtis 1 šoninės tvirtinimo angos apskritimo skersmuo: 19 mm
	Jungtis 1 šoninio flanšo vidinis skersmuo 100 mm
	Jungtis 1 šoninio flanšo išorinis skersmuo 120 mm
	Jungtis 2 šoninio flanšo vidinis skersmuo 80 mm
Techninė informacija velenas: Ø35 mm (H7) raktas 10 mm Bronzinis sliekinis ratas 20CR sliekinė pavara, grūdintas 56-62 HRC
	Privalumai: Didelis efektyvumas. Mažas svoris. Visą gyvenimą trunkantis tepimas
	Jungtis 1 šoninės tvirtinimo angos apskritimo skersmuo: 24 mm
	Jungtis 1 šoninio flanšo vidinis skersmuo 115 mm
	Jungtis 1 šoninio flanšo išorinis skersmuo 140 mm
	Jungtis 2 šoninio flanšo vidinis skersmuo 95 m
Techninė informacija velenas: Ø35 mm (H7) raktas 10 mm Bronzinis sliekinis ratas 20CR sliekinė pavara, grūdintas 56-62 HRC
	Privalumai: Didelis efektyvumas. Mažas svoris. Visą gyvenimą trunkantis tepimas
	Jungtis 1 šoninės tvirtinimo angos apskritimo skersmuo: 24 mm
	Jungtis 1 šoninio flanšo vidinis skersmuo 115 mm
	Jungtis 1 šoninio flanšo išorinis skersmuo 140 mm
	Jungtis 2 šoninio flanšo vidinis skersmuo 95 mm
Techninė informacija velenas: Ø28 mm (H7) raktas 8 mm Bronzinis sliekinis ratas 20CR sliekinė pavara, grūdintas 56-62 HRC
	Privalumai: Didelis efektyvumas. Mažas svoris. Visą gyvenimą trunkantis tepimas
	Jungtis 1 šoninės tvirtinimo angos apskritimo skersmuo: 24 mm
	Jungtis 1 šoninio flanšo vidinis skersmuo 115 mm
	Jungtis 1 šoninio flanšo išorinis skersmuo 140 mm
	Jungtis 2 šoninio flanšo vidinis skersmuo 95 mm 
Lakūnų pl. 81, Kaunas LT-46295 (Aleksotas)
I - V 08:00 - 17:00
VI 10:00 - 14:00
VII Nedirbame
Užsiprenumeruokite mūsų naujienlaiškį ir gaukite pasiūlymus pirmas!
gauti