Parduotuvė kaune
Lakūnų pl. 81, Kaunas LT-46295 (Aleksotas)
Darbo laikas:
I - V 08:00 - 17:00
VI 10:00 - 14:00
VII Nedirbame








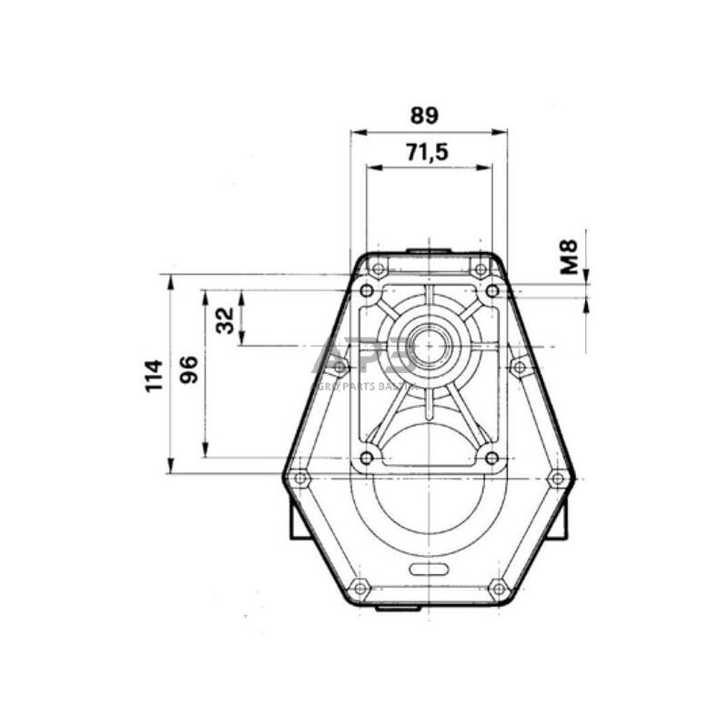
Dalies numeris GBF20S120
Detalės: Aliuminio korpusas
Naudojimo sritis: Žemės ūkio reikmėms
Savybės: Gali būti naudojamas siurblių surinkimui 2 PLP, KP ir SP2
Techninė informacija Rotacinis velenas: veleno ir įvorės tipai Įeinantis velenas 1 3/8\" 6 spygliuočių Naudodami pirmą kartą, pakeiskite alyvą po 50 darbo valandų
Privalumai: lengvas dizainas
Santykis: faktorius 2
Maks. įvesties sukimosi greitis540 aps./min
Susideda iš: Pavarų dėžė. Nepripilta alyvos. Be sankabos įvorės
Maks. įvesties sukimo momentas 152 nm
Maks. išėjimo sukimosi greitis 1080 aps./min
Maks. išėjimo sukimo momentas: 76 nm
Sudėtyje yra aliejaus: Ne
Maks. alyvos talpa: 0,2 l
Alyvos SAE klampumo klasė: 90W
Krumpliaračių/velenų medžiaga Aliuminis
Svoris: 5,5 kg
1 jungtis 3/8\"
Įvesties jungties splainų skaičius 6
Išėjimo jungtis vidinis skersmuo 22 mm
Išėjimo jungtis išorinis skersmuo 25 mm
Splainų išvesties jungties skaičius 14
Visoms prekėms esančioms mūsų asortimente, taikoma gamintojo arba įstatymų nustatyta garantija.
Paslaugos teikimo sąlygos:
Prekių pristatymas Lietuvoje, Latvijoje, Estijoje.
Prekes galite atsiimti mūsų parduotuvėje Kaune adresu: Lakūnų pl. 81, Kaunas (Aleksotas)
Paslaugos teikimo sąlygos:
Prekių pristatymas Lietuvoje, Latvijoje, Estijoje.
Prekes galite atsiimti mūsų parduotuvėje Kaune adresu: Lakūnų pl. 81, Kaunas (Aleksotas)
Lakūnų pl. 81, Kaunas LT-46295 (Aleksotas)
I - V 08:00 - 17:00
VI 10:00 - 14:00
VII Nedirbame
Užsiprenumeruokite mūsų naujienlaiškį ir gaukite pasiūlymus pirmas!
gauti