Parduotuvė kaune
Lakūnų pl. 81, Kaunas LT-46295 (Aleksotas)
Darbo laikas:
I - V 08:00 - 17:00
VI 10:00 - 14:00
VII Nedirbame












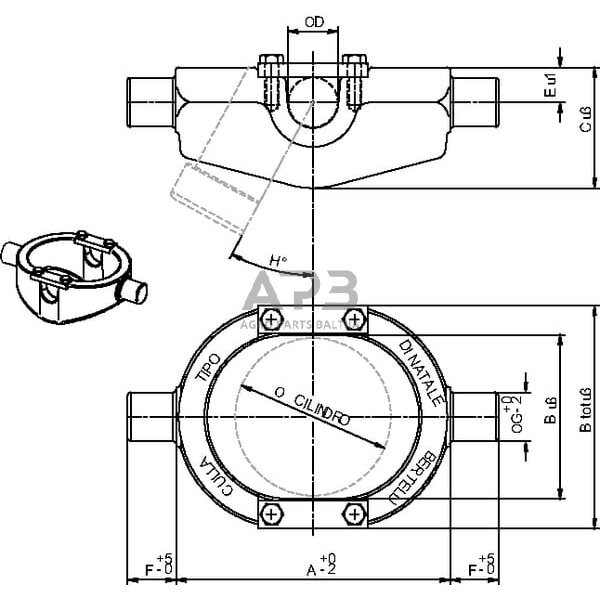
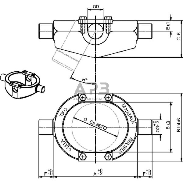
Dalies numeris TC93124
Naudojimo spektras Di Natale Bertelli teleskopiniai cilindrai
Savybės Leidžia palenkti cilindrą į 4 puses
O Cilindro skersmuo 124 mm
G Skersmuo 40 mm
Vidinis skersmuo 40 mm
F Igis 40 mm
Hg Kampas60°
E Iš viršaus į vidurį kaištis 31 mm
B Vidinis plotis 155 mm
BT Išorinis plotis 213 mm
Aukštis 110 mm
Svoris 10,5 kg
MedžiagaPlienas S355
Visoms prekėms esančioms mūsų asortimente, taikoma gamintojo arba įstatymų nustatyta garantija.
Paslaugos teikimo sąlygos:
Prekių pristatymas Lietuvoje, Latvijoje, Estijoje.
Prekes galite atsiimti mūsų parduotuvėje Kaune adresu: Lakūnų pl. 81, Kaunas (Aleksotas)
Paslaugos teikimo sąlygos:
Prekių pristatymas Lietuvoje, Latvijoje, Estijoje.
Prekes galite atsiimti mūsų parduotuvėje Kaune adresu: Lakūnų pl. 81, Kaunas (Aleksotas)
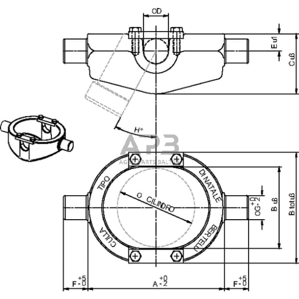
O Cilindro skersmuo 112 mm
G Skersmuo 40 mm
Vidinis skersmuo 35 mm
F Ilgis 40 mm
Hg Kampas74 °
E Iš viršaus į vidurį kaištis 28 mm
B Vidinis plotis 135 mm
BT Išorinis plotis 195 mm
O Cilindro skersmuo 170 mm
G Skersmuo 50 mm
Vidinis skersmuo 50 mm
F Ilgis 55 mm
Hg Kampas 52°
E Iš viršaus į vidurį kaištis 45 mm
B Vidinis plotis 220 mm
BT Išorinis plotis 305 mm
O Cilindro skersmuo 190 mm
G Skersmuo 50 mm
F Igis 55 mm
E Iš viršaus į vidurį kaištis 65 mm
B Vidinis plotis 240 mm
BT Išorinis plotis 325 mm
O Cilindro skersmuo 150 mm
G Skersmuo 50 mm
Vidinis skersmuo 45 mm
F Ilgis 45 mm
Lakūnų pl. 81, Kaunas LT-46295 (Aleksotas)
I - V 08:00 - 17:00
VI 10:00 - 14:00
VII Nedirbame
Užsiprenumeruokite mūsų naujienlaiškį ir gaukite pasiūlymus pirmas!
gauti