Prekių katalogas

  • Kuro žarnos varžtas dvigubas M10x1 HBM10D

    Kodas: 843959
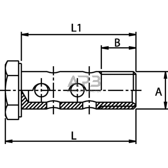
    A Thread diameter M10
    L Total length 35 mm
    Thread pitch 1.00 mm
    L1 Length 30.6 mm
    B Thread length 10 mm
  • Part number HBM10D
    EAN8719593044118
    Unit Each
    Product details Connection: Metric banjo bolt Application : In combination with banjo Material : Steel Seal: Seal ring on banjo Standard: DIN 7643 Surface treatment: Zinc-plated, available in stainless steel on request
    Long description Technical information: Dimension L = overall length
    A Thread diameter M10
    L Total length 35 mm
    Thread type Metric
    Thread pitch 1.00 mm
    L1 Length 30.6 mm
    B Thread length 10 mm
    SW Wrench/Spanner size 14.0 mm
    Surface treatment Galvanised
    Material Steel
    DIN standard 7643
    Sealing type Sealing ring
    Max working pressure 190 BAR
  • Parduotuvė kaune

    Lakūnų pl. 81, Kaunas LT-46295 (Aleksotas)

    Darbo laikas:

    I - V 08:00 - 17:00

    VI 10:00 - 14:00

    VII Nedirbame