Parduotuvė kaune
Lakūnų pl. 81, Kaunas LT-46295 (Aleksotas)
Darbo laikas:
I - V 08:00 - 17:00
VI 10:00 - 14:00
VII Nedirbame
















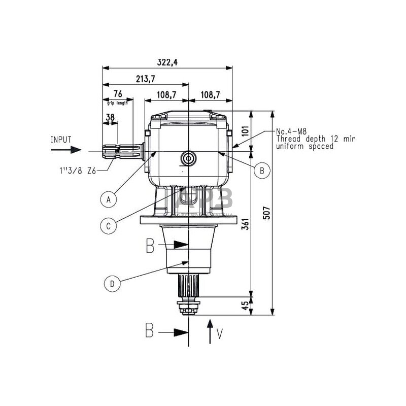
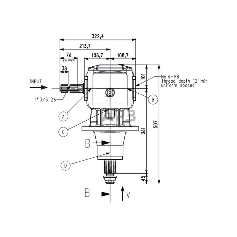
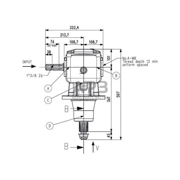
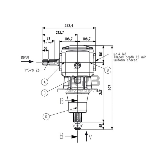
Dalies numeris 227804
Informacija apie gaminį: Visos pavarų dėžės tiekiamos be alyvos. Pirmą kartą alyvos keitimas po 50-70 darbo valandų, vėliau po 500-700 darbo valandų arba bent kartą per metus
Maks. įėjimo galia 55 kW
Sudėtyje yra aliejaus: Ne
Maks. alyvos talpa: 0,8 l
Maks. tepalų keitimo intervalas: 500 val
Alyvos SAE klampumo klasė: 80W-90
Korpuso medžiaga Ketus GGG40
Svoris: 37 kg
Pavarų išdėstymas Didinimas 3
Pavarų skaičius1 : 1,83
Įėjimo galia kW / AG Didėja 55 / 75 kW / AG
Įvesties velenas Didėjantis X
Išėjimo sukimo momentas DaNm Didėja 51,7 daNm
Santykis: didėjantis1 : 1,83
Santykis: sumažinimas 1,83: 1
Velenas X1 3/8\" (6)
Velenas ZASA Z15 DP 8/16
Visoms prekėms esančioms mūsų asortimente, taikoma gamintojo arba įstatymų nustatyta garantija.
Paslaugos teikimo sąlygos:
Prekių pristatymas Lietuvoje, Latvijoje, Estijoje.
Prekes galite atsiimti mūsų parduotuvėje Kaune adresu: Lakūnų pl. 81, Kaunas (Aleksotas)
Paslaugos teikimo sąlygos:
Prekių pristatymas Lietuvoje, Latvijoje, Estijoje.
Prekes galite atsiimti mūsų parduotuvėje Kaune adresu: Lakūnų pl. 81, Kaunas (Aleksotas)
Lakūnų pl. 81, Kaunas LT-46295 (Aleksotas)
I - V 08:00 - 17:00
VI 10:00 - 14:00
VII Nedirbame
Užsiprenumeruokite mūsų naujienlaiškį ir gaukite pasiūlymus pirmas!
gauti