Prekių katalogas

  • Hidraulinis siurblys Casappa PLP208D082E2G

    Kodas: 846282
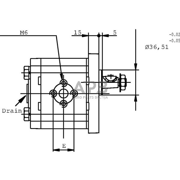
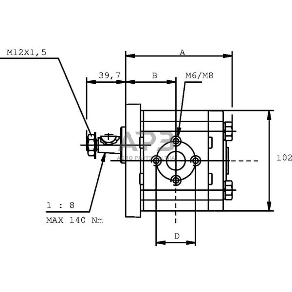
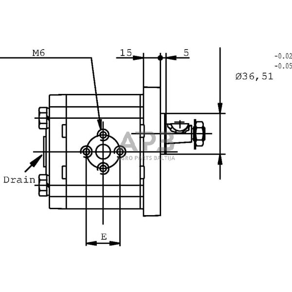
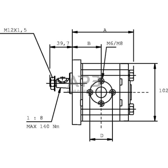
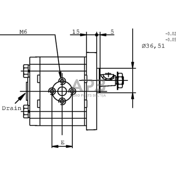
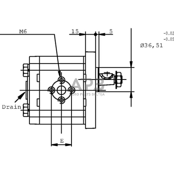
    Housing length 98 mm
    B Connection port to flange distance 46.3 mm
    Mounting diameter 36.5 mm
  • Part number PLP208D082E2G
    EAN
    Unit Each
    Pros Various connection options Outer housing with bearings Wide range of applications
    Product Details Wide range of applications Only minor axial and radial shaft loads are permitted If the pump is fitted with a gear or V-belt pulley, a support bearing must be used. e.g. Order number T222 Customer-specific design possible
    Long description Application : Mobile applications Industrial applications Benefits : Wide range of applications Can be used under tough environmental conditions Details : Various connection options Outer housing pivoted Properties : Consists of 3 parts Electrohydraulic ventilator drive Customer-specific design possible
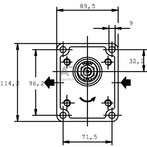
    Flange type norm European
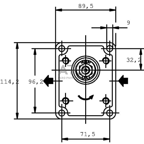
    Flange code E2
    Number of mounting holes 4
    Shaft type Tapered
    Shaft cone size code 1:8
    Displacement 8.26 cm³/rev
    Sealing type Standard
    Max. continous working pressure 250 BAR
    Max intermittend working pressure 280 BAR
    Max pressure peak 300 BAR
    Max rotation speed 3500 r/min
    Prefered rotation direction Clockwise (CW)
    Main port thread type G
    Main port thread diameter 1/2 Inch
    Pressure port thread type G
    Pressure port thread diameter 1/2 Inch
    Port position Side
    Housing length 98 mm
    Housing material Aluminium
    Flange and back cover material Steel
    B Connection port to flange distance 46.3 mm
    Mounting diameter 36.5 mm
  • Parduotuvė kaune

    Lakūnų pl. 81, Kaunas LT-46295 (Aleksotas)

    Darbo laikas:

    I - V 08:00 - 17:00

    VI 10:00 - 14:00

    VII Nedirbame