Prekių katalogas

  • Hidraulinis siurblys Casappa PLP2025S355B2

    Kodas: 846384
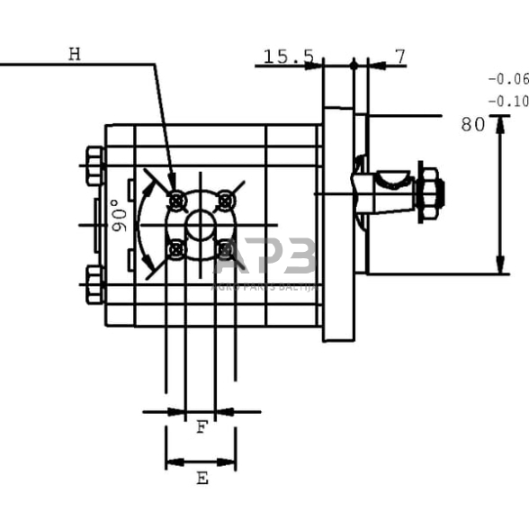
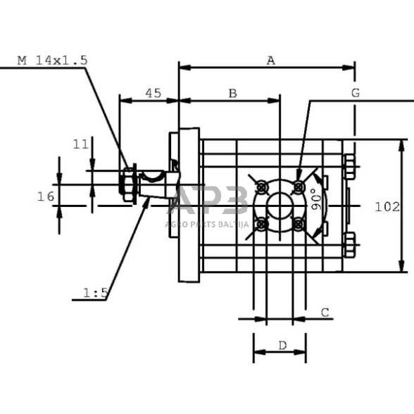
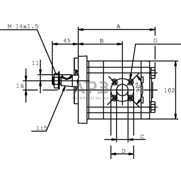
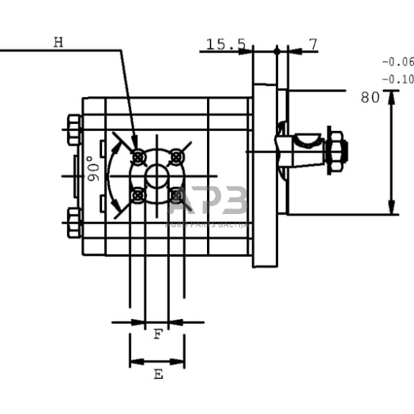
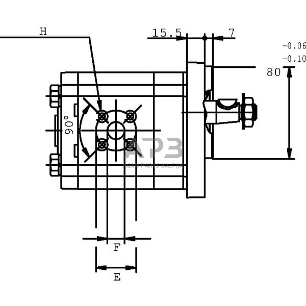
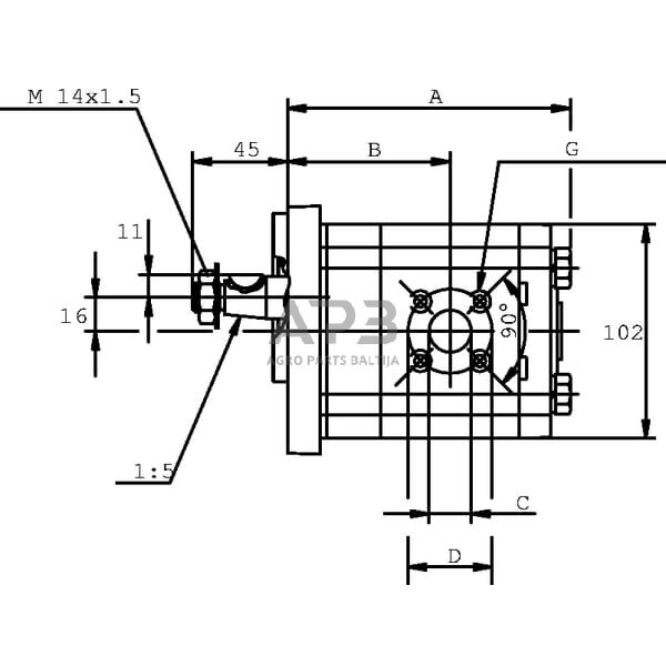
    Housing length 151.9 mm
    B Connection port to flange distance 86.4 mm
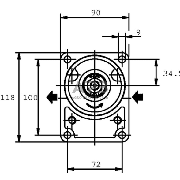
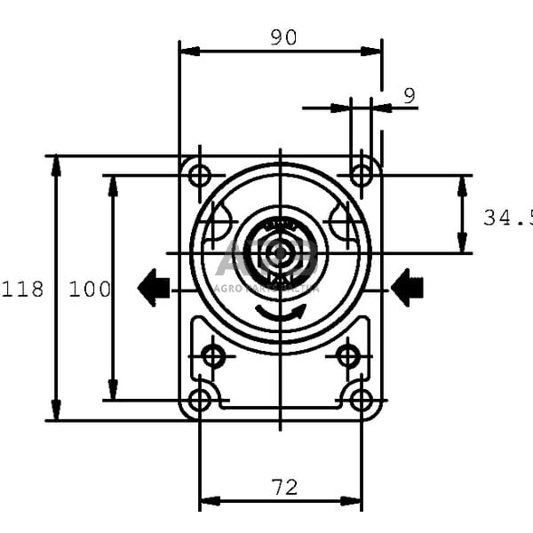
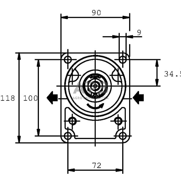
    E Pressure port bolts circle diameter 35 mm
    D Suction port bolts circle diameter 40 mm
    Mounting diameter 80 mm
  • Part number PLP2025S355B2
    EAN
    Unit Each
    Long description Polaris 054B5 (Bosch)
    Details Various connection options Outer housing pivoted
    Application range Mobile applications Industrial applications
    Properties Consists of 3 parts Electrohydraulic ventilator drive Customer-specific design possible
    Benefits Wide range of applications Can be used in challenging environmental conditions
    Flange type norm German
    Flange code B2
    Number of mounting holes 4
    Shaft type Tapered
    Shaft cone size code 1:5
    Displacement 26.42 cm³/rev
    Sealing type Standard
    Max. continous working pressure 170 BAR
    Max rotation speed 2500 r/min
    Prefered rotation direction Counter-clockwise (CCW)
    Port position Side
    Housing length 151.9 mm
    Housing material Aluminium
    Flange and back cover material Steel
    B Connection port to flange distance 86.4 mm
    E Pressure port bolts circle diameter 35 mm
    D Suction port bolts circle diameter 40 mm
    Mounting diameter 80 mm
  • Parduotuvė kaune

    Lakūnų pl. 81, Kaunas LT-46295 (Aleksotas)

    Darbo laikas:

    I - V 08:00 - 17:00

    VI 10:00 - 14:00

    VII Nedirbame