Prekių katalogas

  • Hidraulinis siurblys Casappa PLP2025S054B5

    Kodas: 846205
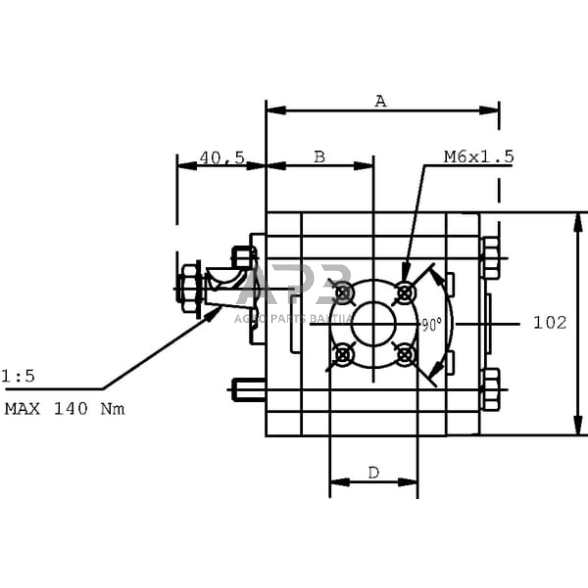
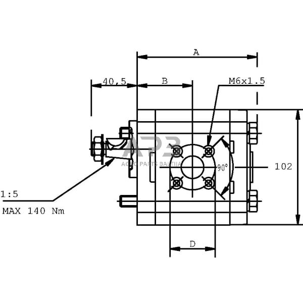
    Housing length 123.5 mm
    B Connection port to flange distance 58 mm
    Pressure port bolts circle diameter 35 mm
    D Suction port bolts circle diameter 40 mm
    Mounting diameter 50 mm
  • Part number PLP2025S054B5
    EAN
    Unit Each
    Details Various connection options Outer housing pivoted
    Application range Mobile applications Industrial applications
    Properties Consists of 3 parts Electrohydraulic ventilator drive Customer-specific design possible
    Benefits Wide range of applications Can be used under tough environmental conditions
    Flange type norm German
    Flange code B5
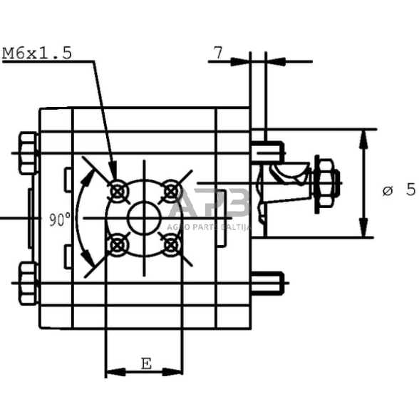
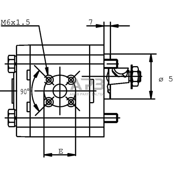
    Number of mounting holes 4
    Shaft type Tapered
    Shaft cone size code 1:5
    Displacement 26.42 cm³/rev
    Sealing type n/a
    Max. continous working pressure 170 BAR
    Max intermittend working pressure 190 BAR
    Max pressure peak 210 BAR
    Max rotation speed 2500 r/min
    Prefered rotation direction Counter-clockwise (CCW)
    Port position n/a
    Housing length 123.5 mm
    Housing material Aluminium
    Flange and back cover material Steel
    B Connection port to flange distance 58 mm
    Pressure port bolts circle diameter 35 mm
    D Suction port bolts circle diameter 40 mm
    Mounting diameter 50 mm
  • Parduotuvė kaune

    Lakūnų pl. 81, Kaunas LT-46295 (Aleksotas)

    Darbo laikas:

    I - V 08:00 - 17:00

    VI 10:00 - 14:00

    VII Nedirbame