Prekių katalogas

  • Hidraulinis siurblys Casappa PLP108D081E1

    Kodas: 846248
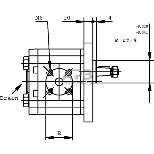
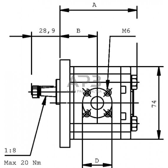
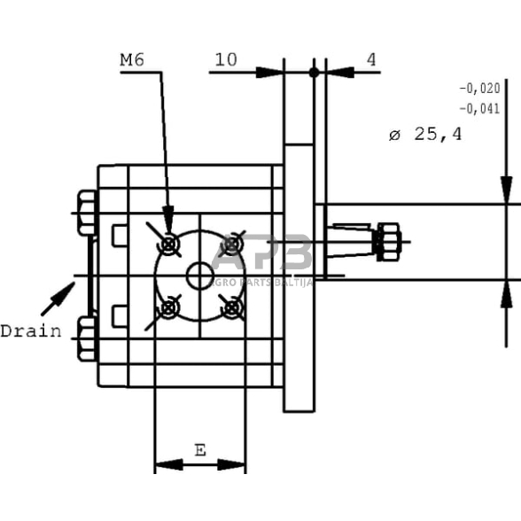
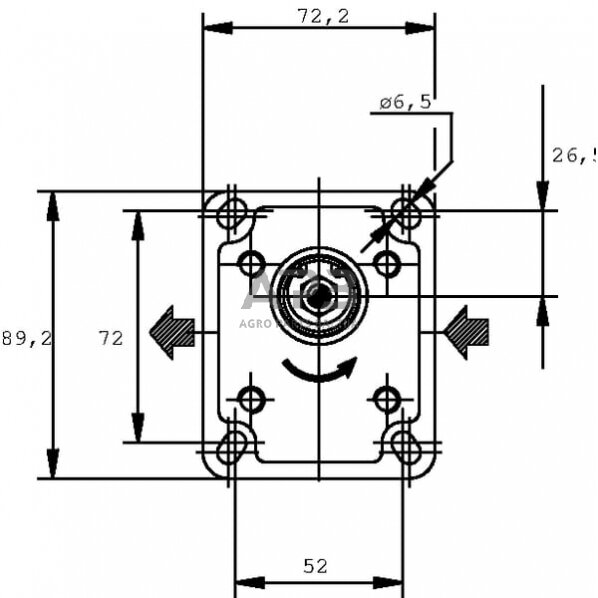
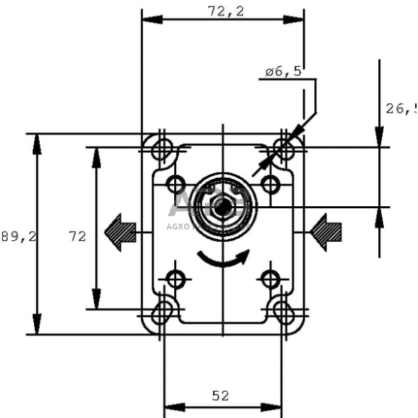
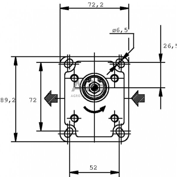
    Housing length 88.5 mm
    B Connection port to flange distance 42.8 mm
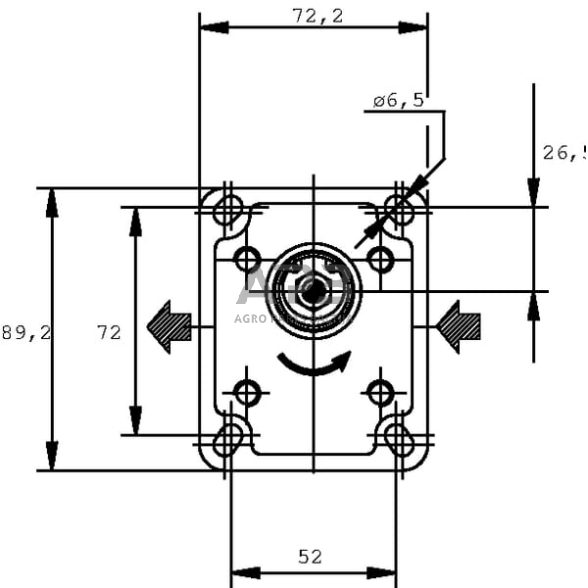
    E Pressure port bolts circle diameter 30 mm
    D Suction port bolts circle diameter 30 mm
    Mounting diameter 25.4 mm
  • Part number PLP108D081E1
    EAN
    Unit Each
    Long description Polaris group 1
    Details Various connection options Outer housing pivoted
    Application range Mobile applications Industrial applications
    Properties Consists of 3 parts Electrohydraulic ventilator drive Customer-specific design possible
    Benefits Wide range of applications Can be used under tough environmental conditions
    Flange type norm European
    Flange code E1
    Number of mounting holes 4
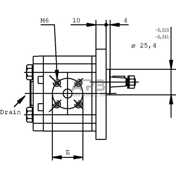
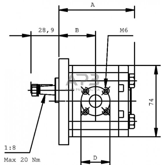
    Shaft type Tapered
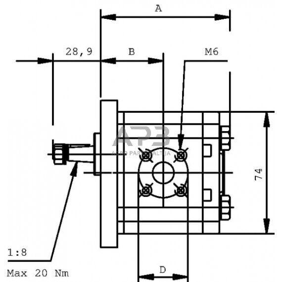
    Shaft cone size code 1:8
    Displacement 8.51 cm³/rev
    Sealing type Standard
    Max. continous working pressure 180 BAR
    Max intermittend working pressure 200 BAR
    Max pressure peak 210 BAR
    Max rotation speed 3500 r/min
    Prefered rotation direction Clockwise (CW)
    Port position Side
    Housing length 88.5 mm
    Housing material Aluminium
    Flange and back cover material Aluminium
    B Connection port to flange distance 42.8 mm
    E Pressure port bolts circle diameter 30 mm
    D Suction port bolts circle diameter 30 mm
    Mounting diameter 25.4 mm
  • Parduotuvė kaune

    Lakūnų pl. 81, Kaunas LT-46295 (Aleksotas)

    Darbo laikas:

    I - V 08:00 - 17:00

    VI 10:00 - 14:00

    VII Nedirbame