Prekių katalogas

  • Hidraulinis siurblys Casappa PLP1010S081E1

    Kodas: 846355
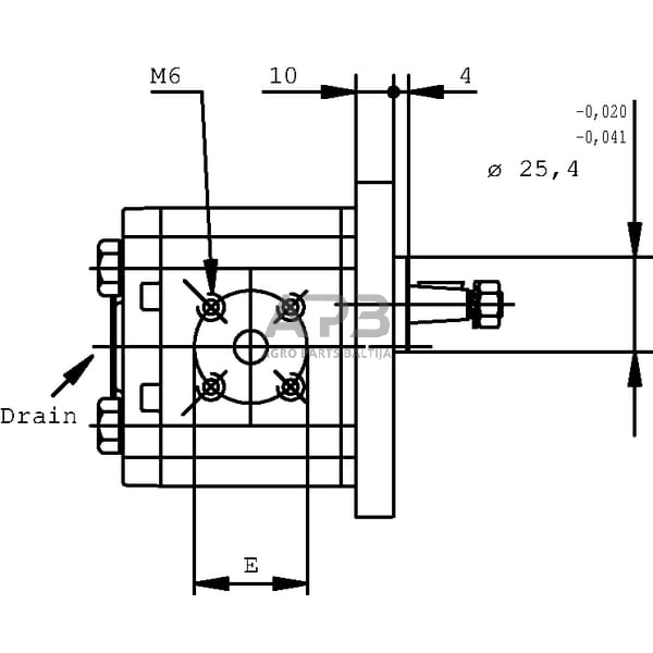
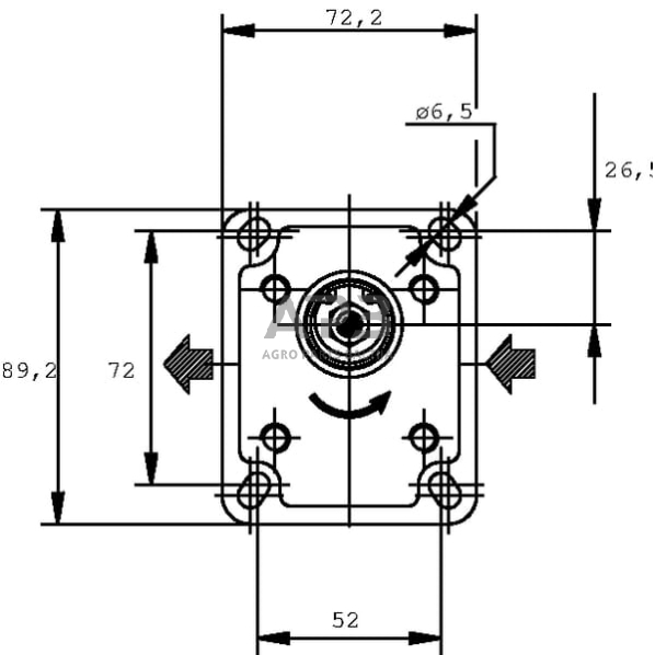
    Housing length 95 mm
    B Connection port to flange distance 46 mm
    E Pressure port bolts circle diameter 30 mm
    D Suction port bolts circle diameter 30 mm
    Mounting diameter 25.4 mm
  • Part number PLP1010S081E1
    EAN
    Unit Each
    Long description Polaris group 1
    Details Various connection options Outer housing pivoted
    Application range Mobile applications Industrial applications
    Properties Consists of 3 parts Electrohydraulic ventilator drive Customer-specific design possible
    Benefits Wide range of applications Can be used under tough environmental conditions
    Flange type norm European
    Flange code E1
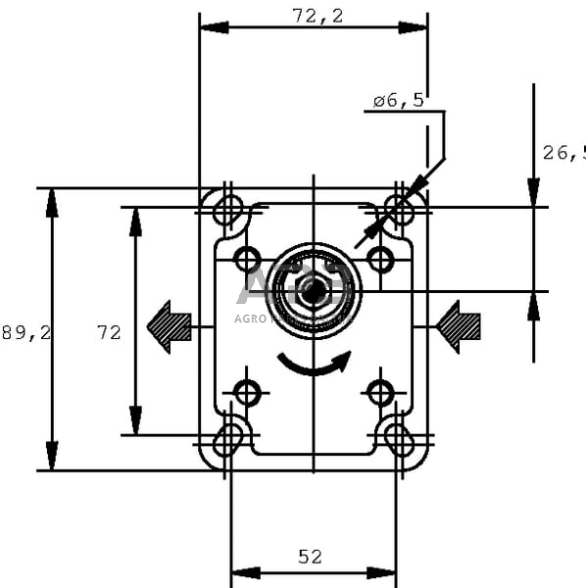
    Number of mounting holes 4
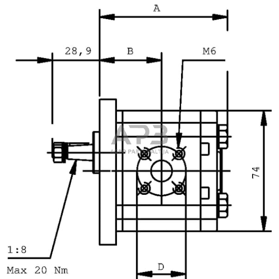
    Shaft type Tapered
    Shaft cone size code 1:8
    Displacement 10.67 cm³/rev
    Sealing type Standard
    Max. continous working pressure 140 BAR
    Max intermittend working pressure 160 BAR
    Max pressure peak 170 BAR
    Max rotation speed 3500 r/min
    Prefered rotation direction Counter-clockwise (CCW)
    Port position Side
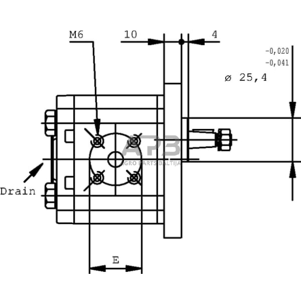
    Housing length 95 mm
    Housing material Aluminium
    Flange and back cover material Aluminium
    B Connection port to flange distance 46 mm
    E Pressure port bolts circle diameter 30 mm
    D Suction port bolts circle diameter 30 mm
    Mounting diameter 25.4 mm
  • Parduotuvė kaune

    Lakūnų pl. 81, Kaunas LT-46295 (Aleksotas)

    Darbo laikas:

    I - V 08:00 - 17:00

    VI 10:00 - 14:00

    VII Nedirbame