Prekių katalogas

  • Hidraulinis siurblys Casappa FP40109S

    Kodas: 846339
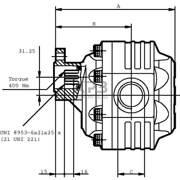
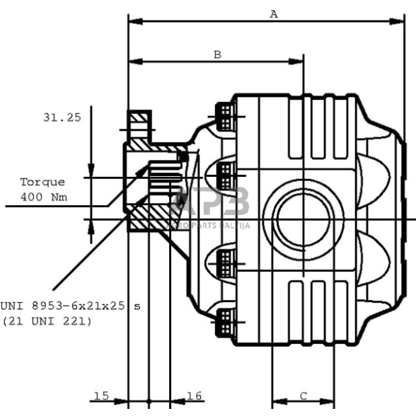
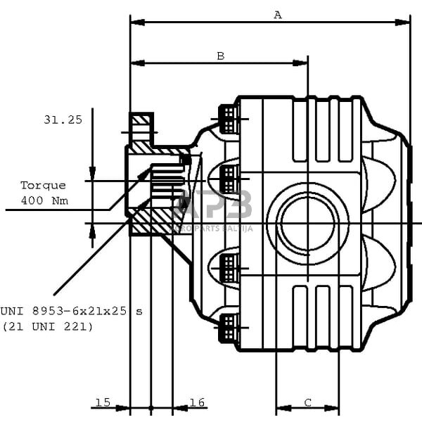
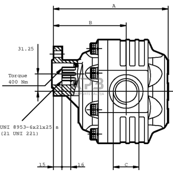
    A Housing length 204.5 mm
    B Connection port to flange distance 129.5 mm
  • Part number FP40109S
    EAN
    Unit Each
    Long description Formula 40
    Details High performance even at low speeds Can be mounted directly on the PTO shaft
    Properties Different connection positions Low noise emission Customer-specific design possible
    Benefits Wide range of applications Compact design
    Flange type norm n/a
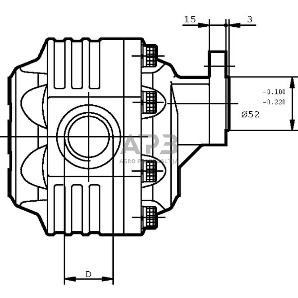
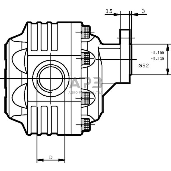
    Flange code T1
    Shaft type Splined
    Shaft cone size code n/a
    Displacement 108.9 cm³/rev
    Sealing type Standard
    Max. continous working pressure 240 BAR
    Max intermittend working pressure 260 BAR
    Max pressure peak 280 BAR
    Max rotation speed 2700 r/min
    Min rotation speed 300 r/min
    Prefered rotation direction Counter-clockwise (CCW)
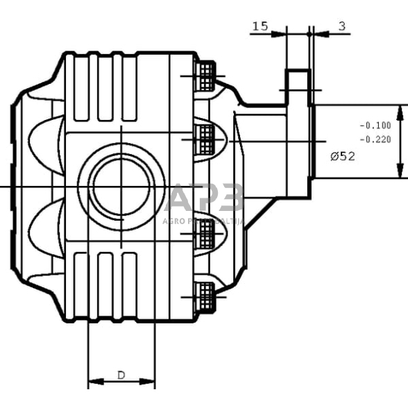
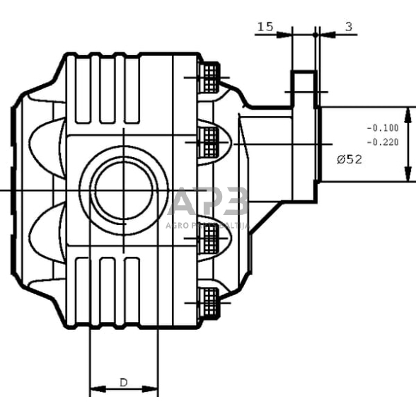
    C Main port thread diameter 1 Inch
    Pressure port thread type G
    Pressure port thread diameter 1-1/4 Inch
    Port position Side
    A Housing length 204.5 mm
    Housing material Steel
    Flange and back cover material Steel
    B Connection port to flange distance 129.5 mm
  • Parduotuvė kaune

    Lakūnų pl. 81, Kaunas LT-46295 (Aleksotas)

    Darbo laikas:

    I - V 08:00 - 17:00

    VI 10:00 - 14:00

    VII Nedirbame