Prekių katalogas

  • Hidraulinis siurblys Casappa FP30100D

    Kodas: 846361
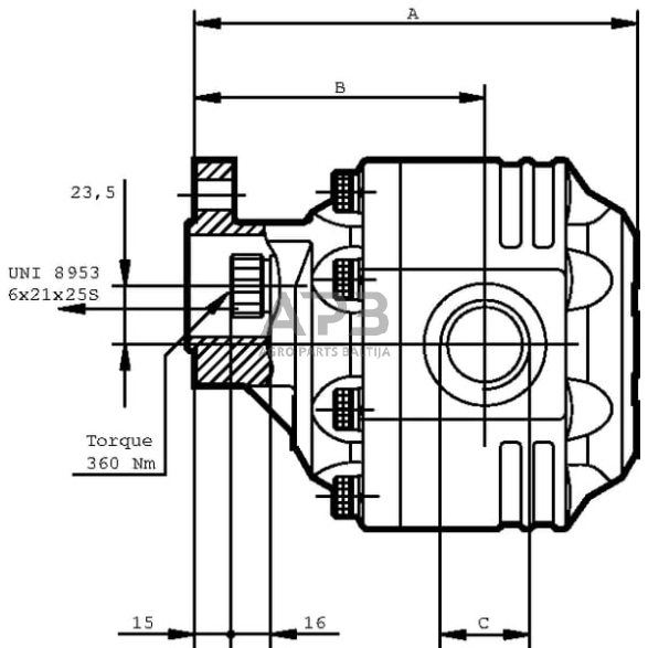
    A Housing length 217 mm
    B Connection port to flange distance 136 mm
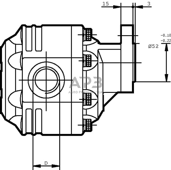
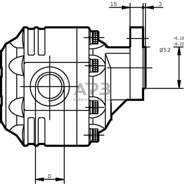
    Mounting diameter 52 mm
  • Part number FP30100D
    EAN
    Unit Each
    Pros Wide range of applications Compact design
    Product Details High performance even at low speeds Direct mounting on PTO shaft possible Various Port position s Low noise Customer-specific design possible Adaptor for 1 3/8\" 6-piece PTO profile: Support bearing SMLF or SFLF (plus hitch bushing) Adaptor for 9-piece ZF profile: Support bearing SR9 (plus hitch bushing) In combination with these support bearings, a torque of 300 Nm must not be exceeded PTO shaft cantilever pump Drives with ZF profile
    Flange type norm n/a
    Flange code T1
    Shaft type Splined
    Shaft cone size code n/a
    Displacement 100.52 cm³/rev
    Sealing type Standard
    Max. continous working pressure 180 BAR
    Max intermittend working pressure 200 BAR
    Max pressure peak 220 BAR
    Max rotation speed 1800 r/min
    Prefered rotation direction Clockwise (CW)
    Main port thread type G
    C Main port thread diameter 1-1/4 Inch
    Pressure port thread type G
    Pressure port thread diameter 1-1/4 Inch
    Port position Side
    A Housing length 217 mm
    Housing material Cast iron
    Flange and back cover material Cast iron
    B Connection port to flange distance 136 mm
    Mounting diameter 52 mm
  • Parduotuvė kaune

    Lakūnų pl. 81, Kaunas LT-46295 (Aleksotas)

    Darbo laikas:

    I - V 08:00 - 17:00

    VI 10:00 - 14:00

    VII Nedirbame