Parduotuvė kaune
Lakūnų pl. 81, Kaunas LT-46295 (Aleksotas)
Darbo laikas:
I - V 08:00 - 17:00
VI 10:00 - 14:00
VII Nedirbame








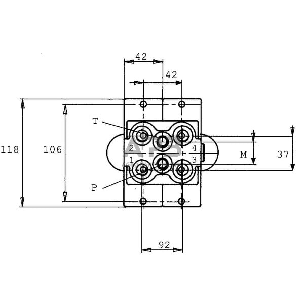
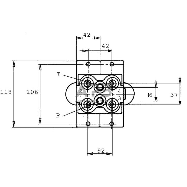
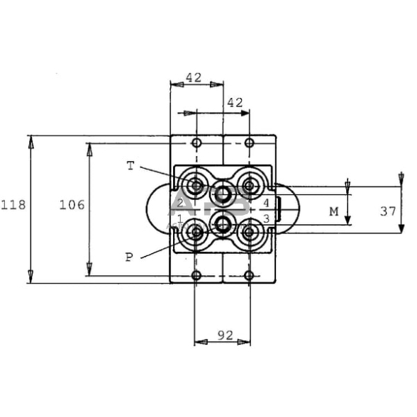
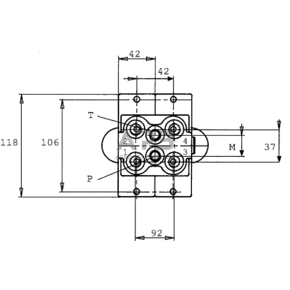
Dalies numeris SV201B01G
Naudojimo sritis Servo vožtuvai
Savybės Centrinės padėties spyruoklių balansas Tikslus reguliavimas Vienu metu veikia 2 funkcijos Neįmanoma išplėsti
Techninė informacija4 funkcijos (2 dvigubo veikimo) Galimi įvairūs valdymo diapazonai
Susideda iš „Lever Gaiter“ 2 spaustukų Stiklinė svirties
Taikymas Frontalinio krautuvo valdymo džoistikas, skirtas 4 funkcijoms, iš kurių 2 galima valdyti vienu metu
MP,MT (BSP)1/4 BSP
Q maks. (l/min) 20 l/min
Q (min.) l/min.5 l/min
Max. važiavimas (2x) 30°
Antspaudas Atskiras dangtelis nuo dulkių yra prieinamas pagal prekę: 3SO-F190-780
Visoms prekėms esančioms mūsų asortimente, taikoma gamintojo arba įstatymų nustatyta garantija.
Paslaugos teikimo sąlygos:
Prekių pristatymas Lietuvoje, Latvijoje, Estijoje.
Prekes galite atsiimti mūsų parduotuvėje Kaune adresu: Lakūnų pl. 81, Kaunas (Aleksotas)
Paslaugos teikimo sąlygos:
Prekių pristatymas Lietuvoje, Latvijoje, Estijoje.
Prekes galite atsiimti mūsų parduotuvėje Kaune adresu: Lakūnų pl. 81, Kaunas (Aleksotas)
Lakūnų pl. 81, Kaunas LT-46295 (Aleksotas)
I - V 08:00 - 17:00
VI 10:00 - 14:00
VII Nedirbame
Užsiprenumeruokite mūsų naujienlaiškį ir gaukite pasiūlymus pirmas!
gauti