Parduotuvė kaune
Lakūnų pl. 81, Kaunas LT-46295 (Aleksotas)
Darbo laikas:
I - V 08:00 - 17:00
VI 10:00 - 14:00
VII Nedirbame










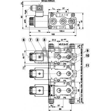
Dalies numeris 6KVH063824VFL
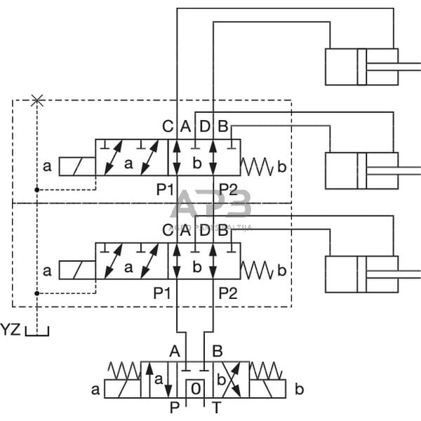
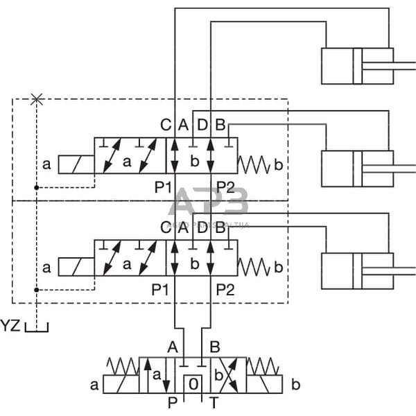
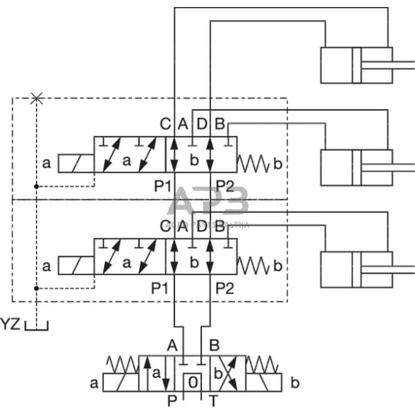
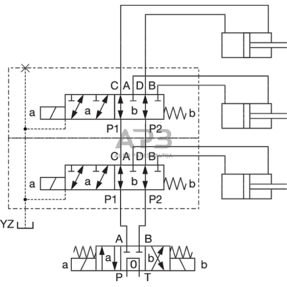
Ilgas aprašymas Perdavimo vožtuvai leidžia paprastai ir kompaktiškai perjungti alyvos srautus tarp 2 ar daugiau vartotojų. Tai leidžia aptarnauti kelis vartotojus su vienu valdymo vožtuvu. Šie vožtuvai yra valdomi elektra ir yra kelių įtampos versijų.
Su vienu valdymo bloku galima aptarnauti iki 6 vartotojų
Informacija apie gaminį Gali būti naudojamas kaip flanšinis vožtuvas, bet ir kaip vienas vožtuvas. Perjungiamas esant slėgiui teigiamo perdavimo aprėptis Sumontavus alyvos nuotėkio liniją, maksimalus leistinas darbinis slėgis gali būti padidintas nuo 250 iki 315 barų
Apima Dalių sąrašas 4 valdomiems dvigubo veikimo vartotojams: 3x valdymo vožtuvas 6KVH…FL 1x Srieginis strypas 97510109B 4x O žiedas ARBA 26x2 -90° 2x O žiedas ARBA 31x2 -90°
Maitinimo įtampa 24 V
Maitinimo galia 29 W
Maksimalus darbinis slėgis 350 BAR
Jungiamojo sriegio skersmuo 3/8 colių
Jungties sriegis tipas BSP
Jungtis G 3/8
Debitas 50 l/min
Darbinis slėgis maks.315 BAR
MontavimasTinka montuoti linijoje.
Gaminio klasė (ETIM standartas) n/a
Dydis 6 colių
Flanšinis
Įtampa 24 V
Visoms prekėms esančioms mūsų asortimente, taikoma gamintojo arba įstatymų nustatyta garantija.
Paslaugos teikimo sąlygos:
Prekių pristatymas Lietuvoje, Latvijoje, Estijoje.
Prekes galite atsiimti mūsų parduotuvėje Kaune adresu: Lakūnų pl. 81, Kaunas (Aleksotas)
Paslaugos teikimo sąlygos:
Prekių pristatymas Lietuvoje, Latvijoje, Estijoje.
Prekes galite atsiimti mūsų parduotuvėje Kaune adresu: Lakūnų pl. 81, Kaunas (Aleksotas)
Lakūnų pl. 81, Kaunas LT-46295 (Aleksotas)
I - V 08:00 - 17:00
VI 10:00 - 14:00
VII Nedirbame
Užsiprenumeruokite mūsų naujienlaiškį ir gaukite pasiūlymus pirmas!
gauti